Product catalog
SISTEMA DE FREIO
  • PEÇAS DO FREIO DIANTEIRO SEITA
    PEÇAS DO FREIO DIANTEIRO SEITA

    2016-09-27

    secador 1 2 190003559653 ângulo do bocal de ar n. º parte n. º parte nome quantidade 1 WG9100368471 ar secador 1 1/A WG9000360521 8w8161 3 X1 3 190003962612 fêmea parafuso 1 4 WG99100270117 conector 1 5 Q72312T5F junta 2 6 190003559385 bico 1 7 WG9000360112 Check válvula 2 8 190003559963 bico 3 8/A 190003559947 bico 3 9 WG9719360001 ar reservior(5L+5L) 1 9/A WG9100360044 ar reservior(5L) 1 9/B WG9...

    read more
  • PEÇAS DE FREIO NA TRASEIRA SEITA
    PEÇAS DE FREIO NA TRASEIRA SEITA

    2016-09-27

    n. º parte n. º parte nome quantidade 1 190003559496 do ângulo do bocal 1 2 190003559946 ângulo do bocal 7 3 WG99100360114 T-bocal 1 8w816 1 x 1 4 WG9000360314 teste conector 1 5 WG9100360303 mola freio atuador 2 6 WG9003550006 T-bocal 2 7 190003559479 bico 1 8 190003559474 bico 1 9 WG9000360134 Relay valve 2 9/A WG9000360524 Relay válvula 2 10 190003962038 parafuso 2 11 190003559948 bico 2 12 WG1...

    read more
  • CONECTOR PARA LINHA
    CONECTOR PARA LINHA

    2016-09-27

    n. º parte n. º parte nome A conector de aço da tubulação 1 190003559516 porca 2 190003559508 porca 3 190003559561 anel de corte 4 190003559509 porca 5 190003559558 corte anel 6 190003559518 porca 7 190003559564 corte anel 8 190003559514 porca 9 190003559563 corte anel 8w8151x 1 10 190003559520 porca 11 190003559562 anel de corte 12 190003559538 pressão anel 13 190003559539 junta 14 Q351B18T15 por...

    read more
  • LINHA DE AR
    LINHA DE AR

    2016-09-27

    n. º parte n. º parte nome quantidade 1 190003179782 plástica da tubulação 200 2 190003559766 bico 1 3 199000360477 junta 1 4 199014280016 manga 2 5 190003559497 bico 1 5/A WG9003550032 bico 1 6 190003559561 corte anel 2 7 190003559516 porca 2 8 w8201x1 8 WG9100710008 válvula magnética 1 9 1288 730061 o-Ring 1

    read more
  • PNEU DA RODA. DIFF
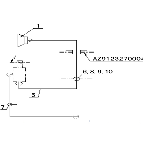
  • VOZ BAIXA PENUMATIC CHIFRE NO TELHADO
    VOZ BAIXA PENUMATIC CHIFRE NO TELHADO

    2016-09-27

    n. º parte n. º parte nome quantidade 1 WG9716270004 voz baixa penumatic chifre 1 1/A WG9000270003 voz baixa penumatic chifre 1 2 Q150B0625 parafuso 3 3 Q40106 arruela 3 4 Q40306 Primavera arruela 3 5 190003179782 tubulação plástica 10 6 AZ9718360009 borracha manga 1 6/A AZ9137270002 borracha manga 1 8 WG9719360009 bico 1 9 Q351C12T15 porca 1 10 Q41212 dentadas arruela 1 11 199014280016 porca 8 12...

    read more
  • FIXAÇÃO DO RESERVATÓRIO DE AR PARA CAMINHÃO TRATOR EU
    FIXAÇÃO DO RESERVATÓRIO DE AR PARA CAMINHÃO TRATOR EU

    2016-09-27

    n. º parte n. º parte nome quantidade 1 WG9000360366 4-circuito protegendo válvula 1 1/A WG9000360523 4-circuito protegendo válvula 1 2 AZ9719360013 suporte para proteção válvula 2 3 Q33212 porca 2 4 Q150B1220 parafuso 2 5 Q40308 Primavera arruela 2 6 Q150B0818 parafuso 2 7 Q150B1030 parafuso secador 1 10 AZ9719360014 suporte para ar secador 1 11 Q41212 dentadas arruela de ar 3 8 Q33210 porca 3 9 ...

    read more
  • FIXAÇÃO DO RESERVATÓRIO DE AR PARA CAMINHÃO TRATOR Ⅱ
    FIXAÇÃO DO RESERVATÓRIO DE AR PARA CAMINHÃO TRATOR Ⅱ

    2016-09-27

    n. º parte n. º parte nome quantidade 1 WG9014362117 ar reservior(30L) 1 1/A WG9000360705 ar reservior(30L) 1 2 1680 250092 junta 1 3 WG9100360319 junta 1 4 WG9000360115 dreno válvula 1 5 WG700550013 tensão parafuso 2 6 WG09 190017 tensão parafuso 2 7 Q218B0880 parafuso 2 8 WG9719360024 tensão correia 2 9 AZ9718360005 apoio 1 10 Q340B08 porca 4 11 Q40308 Primavera arruela 4 12 Q40108 arruela 4 13 ...

    read more
  • 20L AR RESERVATÓRIO FIXAÇÃO / 20L
    20L AR RESERVATÓRIO FIXAÇÃO / 20L

    2016-09-27

    n. º parte n. º parte nome quantidade 1 WG99112270012 tensão correia 2 2 WG09 190017 tensão parafuso 2 3 WG700 550013 tensão parafuso 2 4 Q218B0880 parafuso 2 5 WG9003550087 ar reservior(20L) 2 5/A WG9000360700 ar reservior(20L) 2 6 Q150B0830 parafuso 4 7 Q40108 arruela 4 8w8151 X1 8 Q40308 Primavera arruela 4 9 Q340B08 4 10 199100360105 suporte 1 11 WG9100360319 junta 1 12 a porca 1680 250092 jun...

    read more
  • FIXAÇÃO DO RESERVATÓRIO DE AR PARA CAMINHÃO TRATOR Ⅲ
    FIXAÇÃO DO RESERVATÓRIO DE AR PARA CAMINHÃO TRATOR Ⅲ

    2016-09-27

    n. º parte n. º parte nome quantidade 1 Q5101048 parafuso 2 2 WG99118360019 tensão correia 2 3 Q40110 arruela 2 4 Q5003214 Split pino 2 5 WG9003550098 ar reservior(40L) 1 5/A WG9000360703 ar reservior(40L) 1 6 Q150B1055 parafuso 4 7 1293 250096 distância manga 4 8w820 1 x 1 Suporte de 8 Q33210 porca 6 9 AZ9118360004 2 10 WG9100360319 junta 1 11 1680 250092 junta 1 12 WG9000360115 dreno da válvula ...

    read more
  • MECANISMO DE FREIO NO TÁXI
    MECANISMO DE FREIO NO TÁXI

    2016-09-27

    n. º parte n. º parte nome quantidade 1 190003559479 bico 3 2 190003559946 ângulo bocal 3 3 WG9719360005 serviço freio válvula 1 8 w8201x1 4 190003559945 bico 6 5 WG9719360030 mão válvula de freio para reboque 1 5a Q617B16 parafuso 1 6 WG9000360165 do freio de mão válvula 1 6/A WG9000360522 do freio de mão válvula 1 7 190003559483 bico 1 8 WG99100360111 bico 1 11 AZ9719360050 combinação suporte 1 ...

    read more
  • PEÇAS PARA FREIO
    PEÇAS PARA FREIO

    2015-04-13

    Nome de n. º parte n. º parte quantidade 1 Q72312T5F junta 2 2 190003098031 junta 2 3 190003098015 junta 2 8 w8241x1 4 WG9000360292 junta 2 5 1406070015 junta 2 5a 1880340023 junta 2 6 WG9100360319 junta 2 7 1680250092 junta 2 8 138091360181 braçadeira 1 9 1188730187 Clamp 1 10 199000360408 Clamp 1 11 193760081 ângulo 1 12 199100360174 braçadeira 2 13 1280770028 braçadeira 2 14 199100360234 Clamp ...

    read more
    A total of

    1

    pages
Contact Us
  • Phone:+86 531 6138 8377

    Fax:+86 531 6138 8177

  • Robert:008618766172431

  • Email:sales@topleadzzl.com

  • Skype:roberttoplead

  • 5TH BUILDING ZONE2, NO.15 LAN XIANG ROAD, TIAN QIAO DISTRICT, JINAN, CHINA

在线足球博彩