产品目录亚盘足球竞猜app
DireçãodeHowo
  • Dispositivo deDireção
    Dispositivo deDireção

    2016-09-27

    n。Parte n。º parte nome quantidade 1 WG9719470100 volante 1 1a WG9130583018 anel 1 2 WG9130583024 Touch ring 1 2a AZ9719470050 Steering tubo montagem 1 2b AZ9719471050 Steering tubo montagem 1 3 Q351B22T15 porca 1 4 Q41822 Primavera arruela 1 6 Q43125 Snap ring 1 8w 8201 x 1 Parafuso de 7AZ9003320012 ROLAMENTO DE ESFERAS 1 8 AZ97194770053 DO DO EIXO 1 9 WG9130583019 INICIAR INTRUPTOR 1 ...

    阅读更多
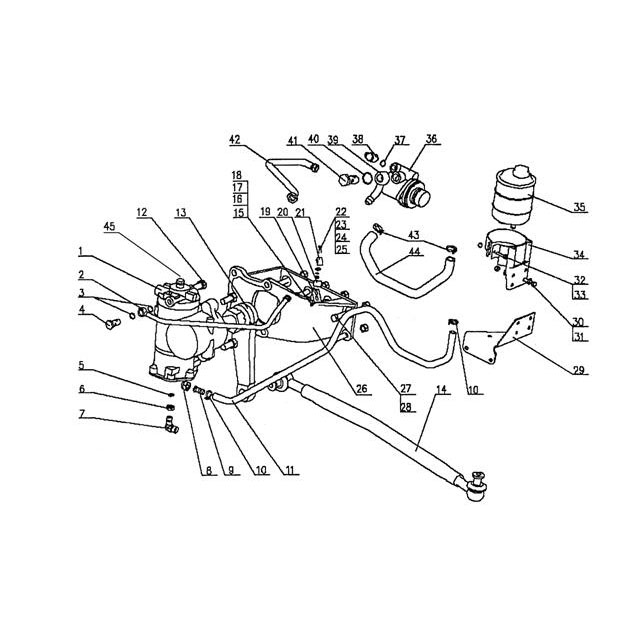
  • Sistema dedeecção6×4Hydraulic
    Sistema dedeecção6×4Hydraulic

    2016-09-27

    n。Parte n。º parte nome quantidade 1 AZ9719470228 Director gear(ZF8098) 1 1/A WG9725478228 Director gear(ZF8098) 1 2 AZ9719470029 entrega linha 1 2/A AZ9725477033 entrega linha 1 3 T071800 junta 2 4 190003962632 rosca femea 1 4/A Q81818 parafuso 1 5252-3407054 junta 1 8W8191X 1 6 252-3407055 PORCA 1 7 252-3407056 BICO BICO 1 8 190003883242 PORCA 1 8/A 190003559515 PORCA 1 9 WG9100470078 BICO 1 9 WG9100470078 BICO 1 9/a ...

    阅读更多
  • Dispositivo deDireçãoD10Chassi(10L电动机,Peçasdo Chassi)
    Dispositivo deDireçãoD10Chassi(10L电动机,Peçasdo Chassi)

    2015-04-15

    n。Parte n。º quantidade parte nome nome chinês 1 WG9925470040 1 Director stents 转向器支架 2 Q151B1645TF2 2 hexágono parafusos de cabeça 六角头螺栓 3 190003888627 2 desde a porca de bloqueio 自锁螺母 4 WG9725477107 1 alta pressão mangueira 高压软管 5 190003098031 2 vedação arruela 密封垫圈6190003962651 1 parafuso oco空心7WG9725470110 1rotaçãodecorte tipo tipo Manga tem a tem atubulaçãomista卡套式8 T071800 2 A Com ... com ... com ... com ...

    阅读更多
  • D10táxiParte dispositivodireção(Piso evledo,seçãodeponte)
    D10táxiParte dispositivodireção(Piso evledo,seçãodeponte)

    2015-04-15

    n。Parte n。ºVANTIDADEPARTE PARTE NOME NOMECHINês1 Q351C22T15 1HexágonoNozesnozes fino fino fino六角薄2Q41822 1 de onda arruela elluela elluela elluela ellualaelástica波形33 wg9925470064 1 de de de roda de roda roda转向盘roda22 prirag 2 prirem do do 3 wg9925477700700 a proff ofer lod3325470070 a proffRolamento de Esferas深沟深沟6AZ9925470099 1VedaçãoAnel密封圈7AZ9925470082 1 ADireçãoDoeixoeixo Montagem转向转向转向转向转向转向转向转向总成总成8 WG9925580103 1Igniçãoçãobloq...

    阅读更多
    总共

    1

    页面
联系我们
  • 电话:+86 531 6138 8377

    传真:+86 531 6138 8177

  • 罗伯特:008618766172431

  • 电子邮件:sales@topleadzzl.com

  • Skype:Roberttoplead

  • 第五建筑区2号,第15号,第15号,兰江路,田田区,中国吉南市

在线足球博彩