2016-09-27 13:03:21
![]()
![]()
![]()

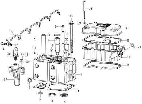
| 不。 | 部分号码 | 零件名称 | 中文名 |
| - | AZ1246040010 | 气缸盖组件 | 气缸盖总成 |
| 1 | AZ1246040011 | 气缸头 | 气缸盖 |
| 2 | VG1246040012 | 进气阀支撑 | 进气门座 |
| 3. | VG1246040013 | 排气阀支撑 | 排气门座 |
| 4. | VG1246040014 | 阀门指南 | 气门导管 |
| 5. | VG1246040015 | 阀门推杆布什 | 气门推杆衬套 |
| 6. | VG1246040016 | 燃料喷射器布什 | 喷油 |
| 7. | 190003989725. | 核心孔插头 | 碗形塞 |
| 8. | VG1246040031. | 核心孔插头 | 碗形塞 |
| 9. | VG1246040018 | 密封圈 | 密封圈 |
| 10. | VG1246040019 | 密封圈 | 密封圈 |
| 11. | VG1540040011 | 螺栓插头 | 油孔堵塞 |
| 12. | VG1540040013 | 钢球 | 钢珠 |
| 13. | VG1246040020 | 圆柱形螺栓 | 气缸盖主螺栓 |
| 14. | VG1246040021 | 气缸垫 | 气缸盖衬垫 |
| 15. | VG1246040001 | 通风管组件 | 缸盖放气管总成 |
| 16. | VG1246040022 | 空洞螺栓 | 空心螺栓 |
| 17. | Q72310 | 密封垫圈 | 密封垫圈 |
| 18. | VG1246040004A | 气缸盖(下) | 摇臂罩下载总成 |
| 19. | VG1246040023 | 气缸盖盖密封环 | 气缸盖罩密封圈 |
| 20. | Q218B0825. | 插座螺栓 | 内六角圆柱头螺钉 |
| 21. | VG1246040003 | 气缸盖盖(顶部) | 摇臂罩上游 |
| 22. | VG1246040005 | 气缸盖盖垫圈 | 气缸盖罩衬垫 |
| 23. | Q150B08110 | 六角头螺栓 | 六角头螺栓 |
| 24. | Q41808 | 春天洗衣机 | 波形弹簧垫圈 |
| 25. | VG1200040034 | 坚果 | 带肩螺母 |
| 26. | VG1200040023A | 夹子 | 夹紧块 |
| 27. | VG1246040008 | 夹紧轭 | 吊环夹紧块 |
| 28. | VG14010388 | 眼螺丝 | 吊环螺钉 |
| 29. | VG154004002A | 加强密封 | 骨架油封 |
| 30. | VG1246050027. | 阀杆密封 | 气门阀杆密封套 |