产品目录亚盘足球竞猜app
Caja de Engranajes de Howo
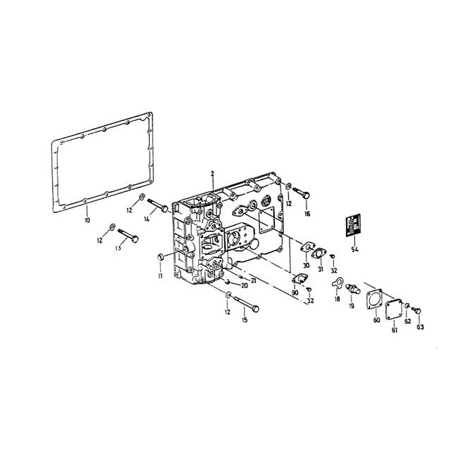
  • 5S-150GP Cuerpo del还原器
    5S-150GP Cuerpo del还原器

    2016-09-27

    Nº parte nombre cantidad 0 2159003019(B) ensamblaje de caja de cambios 1 0/A WG9725220022 ensamblaje de caja de cambios 1 11 0736301022 tornillo enchufe 4 13 0736305016 tornillo enchufe 1 43 0634801044 Junta 2 44 0636302016 tornillo enchufe 2 46 0630361103 sellado tapa 1 51501202407SucciónSubconjunto1 54 0630531387 Reatiner三角形1 55 1269301124喷雾tubo 1 75 0636301048 TORNILLO ENCHUFE ...

    阅读更多
  • 5S-150GP Vivienda Para rango de cambio de grupo
    5S-150GP Vivienda Para rango de cambio de grupo

    2016-09-27

    Nº parte nombre cantidad 2 1269331037 engranaje cambio vivienda 1 3 2128331036 viviendas 1 3/A 2128331001 viviendas 1 8 w8201x1 9 1269331036 Junta 1 10 0731201459 pin paralelo 2 11 0636010459 tornillo 21 23 0730150161 sellado anillo 1 24 0501305443 presión interruptor 1 26 0736301022 tornillo enchufe 128 0736305016 M TORNILLO ENCHUFE 1 46 0769140003 ESPACIADOR DISCO 1 47 1269304043 PANTALLA HOJA ...

    阅读更多
  • Ruedas,Layshaft Y 5S-150GP Inoutshaft
    Ruedas,Layshaft Y 5S-150GP Inoutshaft

    2016-09-27

    nombre denºpartenºpartecantidad 1 2159302003 TAPA 1/a 2159302007 TAPA 1 17 636015110 SREW 17 18 636015120 1 19 630361065插件拆分环1 32 0769140002(S)Calza(opcional,siplación-0.00-0.10)1 35 7217 Rodillo bearig 1 37 635470012 cinlinoriaCl Rodillos 1 40 8W8151 ...

    阅读更多
  • Ruedas y Eje Principal de 5S-150GP
    Ruedas y Eje Principal de 5S-150GP

    2016-09-27

    NºPartenombre 1 630501028 Cierre anillo 2 570304002 Rodamiento de Rodillos 4 769144033 criclip 5 769140115 Lavadora 8 W8191X1 6 13103020202045 3 / 4G。Cluch Cuerpo 9 1268304594 Sincronizador Anillo 10 1310304158 3 / 4G。Sincronizador del Cuerpo 12 1310304195 Corredera漫画16 1311304021CompresiónResorte 17 732040386CompresiónResorte 17/A 1311304021CompresiónResorte 18 13110304020PresiónPersiónPiez ...

    阅读更多
  • 5S-111GP 、5S-150GP 、4S-130GP Cambio Horquilla
    5S-111GP 、5S-150GP 、4S-130GP Cambio Horquilla

    2016-09-27

    Nº parte nombre cantidad 1 1250306263 engranaje cambio Horquilla 1 5 115306006 Pad deslizante 2 7 0730300005 resorte Arandela 4 8w8191x 1 11 1240306244 Articat perno 4 12 1252306077 tornillo 2 15 1292306002 acoplamiento de la fricción 1 16 1251306064 acoplamiento de la fricción 1 20 115206006 engranaje cambio Horquilla1 20/A 115206007 Engranaje Cambio Horquilla 1 25 1297306025 PAD DESLIZANTE 2 30 ...

    阅读更多
  • 5S-150GP主要Cambio Cubierta
    5S-150GP主要Cambio Cubierta

    2016-09-27

    Nº parte nombre cantidad 2 1269307484 engranaje cambio cubierta 1 10 1269307026 Junta 1 11 630361050 sellado tapa 1 12 630302091 resorte Arandela 17 13 636010199 tornillo 1 14 636010190 tornillo 3 15 636010200 tornillo 4 16 636010176 tornillo 9 1 8 630603010 fijación de la placa 1 19 1250307252reténémbolo1 20 636301041 Tornillo Enchufe 1 21 730361073 Sellado Cubierta 2 30 1203307289 Junta 1 31 ...

    阅读更多
  • 5S-150GP主要Cambio de Dispositivo
    5S-150GP主要Cambio de Dispositivo

    2016-09-27

    Nº parte nombre cantidad 1 1252307060 Junta 2 3 1269307508 engranaje cambio vivienda 1 7 630302090 resorte Arandela 2 8 636010066 2 9 636010079 tornillo 4 10 732612004 respiradero 1 12 634300020 eje sello 1 14 635303053 aguja manga 1 de tornillo 15 730260330 rodamiento bush 1 16 634300302 ejeSello 1 17 634307367 Barra Limpiaparabrisas 1 20 1250307601ReténTornillo1 21 732040554 Bloqueo Primaver ...

    阅读更多
  • 5S-150GP GAMA DE RUEDAS PARA CAMBIO GRUPO
    5S-150GP GAMA DE RUEDAS PARA CAMBIO GRUPO

    2016-09-27

    Nº parte nombre cantidad 2 2159232001 ( B ) salida eje 1 9 1269332036 planeta rueda eje 5 10 501305887 lavadora 1 11 730103846 disco intermedio 10 14 735470057 aguja rodillo 15 15 1286332001 planeta engranaje set 1 16 631329048 ranurado soring pin 5 17 631329016 ranurado soring pin 524 730160759 Distancia anillo 1 25 769144049 SNAP ANILLO SET 1 26 635330050 RODAMIENTO DE BOLAS 1 27 769140072 ESPA ...

    阅读更多
  • 5S-150GP Cambio de Rango de Cambio Grupo
    5S-150GP Cambio de Rango de Cambio Grupo

    2016-09-27

    Nº parte nombre cantidad 1 2159328001 engranaje cambio Horquilla 1 3 1295334027 corredera pad 2 6 631329086 ranurado primavera pin 1 7 730260355 2 8 630361078 sellado tapa 1 9 630603010 bloqueo placa 1 11 1269288045 retén émbolo 1 11/A 1269228045 retén émbolo 1 del arbusto cambio de16 1269334002 ENGRANAJE EJE 1 20 634300855 EJE SELLO 1 21 634307405 BARRA LIMPIAPARABRISAS 1 24 1269328252 ENGRANAJE ...

    阅读更多
  • 5S-150GP Trasera cubierta
    5S-150GP Trasera cubierta

    2016-09-27

    Nº parte nombre cantidad 1 1269338095 velocímetro cubierta 1 9 1269338030 Junta 1 10 0769140011 espaciador disco set 1 8w820 1 x 1 20 0630302091 resorte Arandela 12 21 0636015127 tornillo 6 22 0636015114 tornillo 2 26 0636610087 Stud 2 27 0636610079 Stud 4 28 0636006022 tuerca 1 28/A 0637006022 Tuerca 1 47 734310113 EJE Sello 1 48 0734300093 EJE Sello 1 56 1250308057VelocímetroPiñón1 58 1250308 ...

    阅读更多
  • Sistema de Cambio de Engranaje de Caja de Cambios
    Sistema de Cambio de Engranaje de Caja de Cambios

    2016-09-27

    Nº parte nombre cantidad 1 AZ9100240061 engranaje de cambio de mando 1 1A WG9725240110 posición transferencia 1 2 179200240075 Cable manga 1 Sifón de 3 AZ9725240101 1 4 190003989318 anillo de seguridad 1 5 Q218B0825 tornillo 4 6 Q40308 resorte Arandela 4 7 Q150B0850 tornillo 2 Tornillo de 8 Q150B08352 9 Q40308 Resorte Arandela 4 10 AZ9725240102ConexiónBloque1 11 WG9725240107 Operador Asamblea ...

    阅读更多
  • 5S-150GP Neu Cambio de Rango de Cambio de Grupo
    5S-150GP Neu Cambio de Rango de Cambio de Grupo

    2016-09-27

    Nº parte nombre cantidad 1 1269307299 Junta 1 5 0750132008 corte válvula 1 20 0630302091 primavera disco 1 8w820 Tornillo de 1 x 1 21 0636015129 4 25 0634601205 sellado anillo 8 25/A 0634801205 sellado anillo 8 26 0637834032 empalme 4 27 0637835026 Famale tornillo 4 31 0632702470Tecalan Tubo 1 40 0632311228 Abrazadera 1

    阅读更多
    总计

    1

    页面
联系我们
  • 电话:+86 531 6138 8377

    传真:+86 531 6138 8177

  • 罗伯特:008618766172431

  • 电子邮件:sales@topleadzzl.com

  • Skype:Roberttoplead

  • 第五建筑区2号,第15号,第15号,兰江路,田芳区,中国吉南,

在线足球博彩