HOWO小屋
  • 空调
    空调

    2016-09-27

    不。部分没有。部件名称数量1 WG1642820002与电空调进气口1 1/1 AZ1630840013底部住房1 1/2 AZ1630840091水管2 1/3 AZ1630840319水箱与电磁阀1 01/3/1 AZ1630840074水箱1 01/3/2 AZ1630840073进水口管道装配1 01/3/3 AZ1630840066 o形环3 01/3/4 AZ1630840072水出水管装配1 01/3/5……

    阅读更多
  • 司机的驾驶室加热
    司机的驾驶室加热

    2016-09-27

    不。部分没有。部件名称数量1 AZ1630840302与电加热器装配进气口1 2 2 Q150B08030螺钉2 Q40308弹簧垫圈2 2 b Q40208垫圈2 3 AZ1630840062橡胶套筒2 4 Q2714825螺钉2 Q40206垫圈4 2 5 190003989340簧卡6 6 WG1642840091软管我2 7 AZ1642840013钢管1 8 Q1840816螺钉1 9 AZ1642840084保护净进气口1 10 10 Q150B0620螺钉2…

    阅读更多
  • 挡风玻璃清洗
    挡风玻璃清洗

    2016-09-27

    不。部分没有。部件名称数量1 Q340B06螺母2 2 Q40306弹簧垫圈2 3 AZ1642860009支架1 4 WG1642860001洗涤设备1 4/2 WG1642860001-2覆盖4/1 WG1642860001-1泵1 1 5 Q40308弹簧垫圈2 6 Q340B08螺母2 7 Q150B0625螺钉2 8 Q40206垫圈2 9 Q40208垫圈2 10 Q150B0830螺钉2 11 AZ1642860007保护环2 12 AZ1642860003软管我1 12 WG1642861003软管……

    阅读更多
  • 倾斜设备
    倾斜设备

    2016-09-27

    不。部分没有。部分的名称数量1 WG9719820001水。手泵1 2 Q150B1020螺钉2 3 Q40310弹簧垫圈2 4 WG9719820002水。气缸1 5 WG9719820005高压软管1 6 WG9719820006高压软管1 7 WG9719820007高压软管1 8 WG1642440075高压软管1 9 190003559482 T-nozzle 1 10 AZ9719820008支持轴我1 11 AZ9719820009布什1 12 Q402…

    阅读更多
  • 翅膀,风表
    翅膀,风表

    2016-09-27

    不。部分没有。部件名称数量7 WG1644870013上支架左1 7 WG1644870019上括号右1 7 Q150B0820螺钉8 7 b Q40208垫圈8 7 c Q40308弹簧垫圈8 8 WG1644870111侧风表对1 8 WG1644870012侧风板左1 9 WG1644870014中间支架2 9 Q150B0820螺钉8 9 b Q40208垫圈8 9 c Q40308弹簧垫圈8 10 WG1644870015下括号右1…

    阅读更多
  • 翅膀,风表(1)
    翅膀,风表(1)

    2016-09-27

    不。部分没有。部件名称数量20 WG1644870016顶级风表1 21 WG1644870017侧架顶部风表4 22 WG1644870020中间支架顶部的风表1

    阅读更多
  • 广播
    广播

    2016-09-27

    不。部分没有。部分的名称数量1 WG9719780001无线电电子调节器1 4 WG9719780003扬声器1 4 / WG9719780007扬声器4 4扬声器的WG9719780005覆盖2 9 WG9130780001电缆1 25 Q2714216螺钉6 26 Q40004垫圈6 27 1900039699563弹性螺母6 27 / WG1642930009弹性螺母6

    阅读更多
  • 高车顶出租车的工具箱
    高车顶出租车的工具箱

    2016-09-27

    不。部分没有。部件名称数量1 WG1642770006箱盖1 2 WG1642290002铰链2 3 Q1840612螺钉12 4 WG1642290005锁定销1 5 Q2100612螺钉4 6 Q218B0616螺钉2 7 Q68108夹1 8 WG1642290003锁工具盒1 9 WG1642290004垫2 10 WG1642290006密封条1

    阅读更多
  • 内部天花板面板的出租车树冠
    内部天花板面板的出租车树冠

    2016-09-27

    不。部分没有。部件名称数量1 WG1644770150支架1 2 WG1644770149支架1 3 WG1644770155支架1 4 WG1644770123托架装配1 5 WG1644770125托架装配二1 6 WG1644770122橡胶缓冲器1 7 WG1644770140板1

    阅读更多
  • 杂件箱
    杂件箱

    2016-09-27

    不。部分没有。部件名称数量0 WG1644770102盒体1 1 WG1644770103中间隔板组件1 2 WG1644770105支架装配1 3 WG1644770108左隔板组件1 4 WG1644770117左隔板组件1 5 WG1644770135覆盖1 6 WG1644770116右隔板组件1 7 WG1644770120右隔板组件1 8 WG1644770138覆盖1 9 WG1644770127覆盖1 10 WG1644770145中间clapbo……

    阅读更多
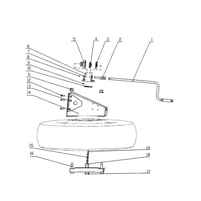
  • 备胎架
    备胎架

    2016-09-27

    不。部分没有。部分的名称数量0 WG9719860027传动装置(包括2 ~ 19)1 0 AZ9719860018传动装置(包括2 ~ 10,15 ~ 19)1 AZ9719860014手摇曲柄1 2 AZ9719860012轴1 3 17017860022锁定表1 4 17017860023驱动轮1 5 17017860024驱动轮1 6 AZ9719860007住房1 7 Q150B1035螺钉4 8 Q5004030开口销1 9 Q33210螺母4 10 17017860027湾1 11 WG9003884160哟……

    阅读更多
  • 开关,打火机
    开关,打火机

    2016-09-27

    不。部分没有。部分的名称数量1 WG9719582001电灯开关1 2 WG9719582004 Emer.blinker系统开关1 3 WG9719582002前雾灯开关1 4 WG9719582003后雾灯开关1 6 WG9719582007工作灯开关1 7 WG9719582012轴diff.lock开关1 8 WG9719582011轮diff.lock开关1 10 WG9719582005喇叭开关1 19 WG9900580021覆盖1 20 WG9100580141雪茄黎拓……

    阅读更多
  • < <
  • 1
  • 2
  • 3

  • 总共

    3

    页面
联系我们
  • 电话:+ 86 531 6138 8377

    传真:+ 86 531 6138 8177

  • 罗伯特:008618766172431

  • 电子邮件:sales@topleadzzl.com

  • Skype:roberttoplead

  • 第五建筑ZONE2,第15号局域网香路,添乔区,济南,中国

在线足球博彩